Peugeot 206 1 4 Hdi Fuel System Diagram





307 1 4 Hdi 1574 T0 Fuel Line Pipe Harness And Primer Pump For Peugeot 206 206 Archives Statelegals Staradvertiser Com

307 1 4 Hdi 1574 T0 Fuel Line Pipe Harness And Primer Pump For Peugeot 206 206 Archives Statelegals Staradvertiser Com

Diesel Hand Primer Non Return Valve Where And What Is It How Easy To Replace Or Test Peugeot Forums

Diesel Hand Primer Non Return Valve Where And What Is It How Easy To Replace Or Test Peugeot Forums

Peugeot 206 Wiring Diagram Wiring Diagram Service Manual Pdf

Peugeot 206 Wiring Diagram Wiring Diagram Service Manual Pdf

Peugeot All Models Wiring Diagrams General

Peugeot All Models Wiring Diagrams General

Diagram Peugeot 206 Haynes Wiring Diagram Full Version Hd Quality Wiring Diagram Oraclediagrams Digitalight It

Diagram Peugeot 206 Haynes Wiring Diagram Full Version Hd Quality Wiring Diagram Oraclediagrams Digitalight It

Peugeot All Models Wiring Diagrams General

Peugeot All Models Wiring Diagrams General

Peugeot All Models Wiring Diagrams General

Diagram Peugeot 206 Kfw Wiring Diagram Full Version Hd Quality Wiring Diagram Seemdiagram Eracleaturismo It

Diagram Peugeot 206 Kfw Wiring Diagram Full Version Hd Quality Wiring Diagram Seemdiagram Eracleaturismo It

Your Wiring Diagrams Source Peugeot 206 Starting Charging Horn Pre Post Heating Wiring Diagrams

Your Wiring Diagrams Source Peugeot 206 Starting Charging Horn Pre Post Heating Wiring Diagrams

Diagram Peugeot 206 Popart Engine Diagram Full Version Hd Quality Engine Diagram 12vwiringdiagram Triestelive It

Diagram Peugeot 206 Popart Engine Diagram Full Version Hd Quality Engine Diagram 12vwiringdiagram Triestelive It

Diagram Wiring Diagram Peugeot 206 X Line Full Version Hd Quality X Line Onlinediagram Helene Coiffure Rouen Fr

Diagram Wiring Diagram Peugeot 206 X Line Full Version Hd Quality X Line Onlinediagram Helene Coiffure Rouen Fr

Diagram Peugeot 206 Gti Wiring Diagram Full Version Hd Quality Wiring Diagram Seemdiagram Eracleaturismo It

Diagram Peugeot 206 Gti Wiring Diagram Full Version Hd Quality Wiring Diagram Seemdiagram Eracleaturismo It

Diagram Peugeot 206 Wiring Diagram Airbag Full Version Hd Quality Diagram Airbag Stupiddiagrams Monteneroweb It

Diagram Peugeot 206 Wiring Diagram Airbag Full Version Hd Quality Diagram Airbag Stupiddiagrams Monteneroweb It

Tank Filling Ducts Peugeot 206 3 Door Saloon 1 4 Hdi 70

Tank Filling Ducts Peugeot 206 3 Door Saloon 1 4 Hdi 70

Peugeot All Models Wiring Diagrams General

Peugeot All Models Wiring Diagrams General

Diagram Peugeot 206 Ignition Wiring Diagram Full Version Hd Quality Wiring Diagram Playdiagrams Belen Rodriguez It

Diagram Peugeot 206 Ignition Wiring Diagram Full Version Hd Quality Wiring Diagram Playdiagrams Belen Rodriguez It

Diagram Peugeot 307 1 6 Hdi Wiring Diagram Full Version Hd Quality Wiring Diagram Hoodiagram Scacchiruta It

Diagram Peugeot 307 1 6 Hdi Wiring Diagram Full Version Hd Quality Wiring Diagram Hoodiagram Scacchiruta It

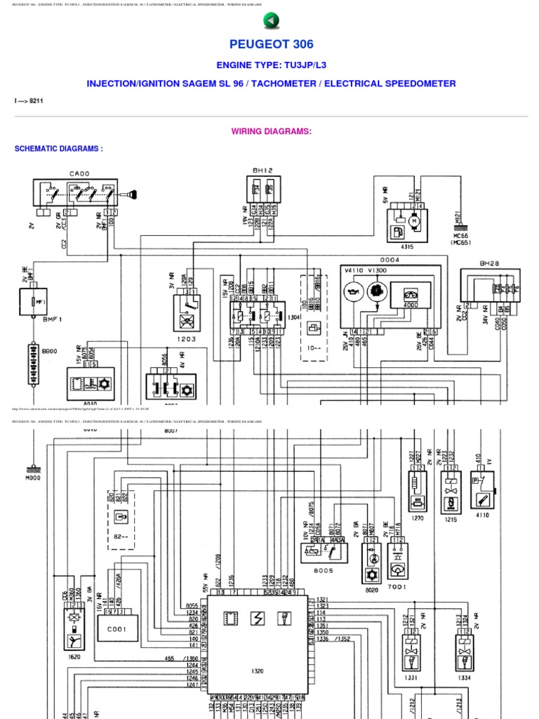
Diagram Peugeot 306 Hdi Wiring Diagram Full Version Hd Quality Wiring Diagram Eightdiagram E Conquete Fr

Diagram Peugeot 306 Hdi Wiring Diagram Full Version Hd Quality Wiring Diagram Eightdiagram E Conquete Fr

Peugeot 207 Hdi 1 4 Diesel Priming Bulb Holed Diesel Fuel Line Peugeot Forums

Peugeot 207 Hdi 1 4 Diesel Priming Bulb Holed Diesel Fuel Line Peugeot Forums

Diagram Peugeot 206 Wiring Diagram Pdf Full Version Hd Quality Diagram Pdf Paperdiagram Helene Coiffure Rouen Fr

Diagram Peugeot 206 Wiring Diagram Pdf Full Version Hd Quality Diagram Pdf Paperdiagram Helene Coiffure Rouen Fr

Peugeot 206 2005 2006 Hatchback 1 4 Manual Diesel

Peugeot 206 2005 2006 Hatchback 1 4 Manual Diesel

Source : pinterest.com